Категории

КРАН ШАРОВОЙ TEMPER KOMPAKT ПОЛНОПРОХОДНОЙ

компакт DN 50 Темпер

Характеристики

Макс. температура (Т) °С.: до +80 °С. Кратковременный нагрев (Т): до +100°С

Мин. температура (Т) °С.: до -40 °С (исп. У), до -60 °С (исп. ХЛ)

Класс герметичности: Класс «А» ГОСТ 9544-2015

Срок службы: Не менее 40 лет или не менее 10 000 циклов

Гарантийный срок: 3 года

Проход: Полнопроходной

Присоединение: Фланцевое. Присоединительные размеры фланцев: ГОСТ 33259-2015

Краны предназначены для установки в стеснённых условиях.

Тип присоединения: фланцевое 

Рабочая среда: 

Теплосетевая вода, нефтепродукты, ГСМ и другие рабочие среды, неагрессивные для материалов деталей крана.

Модификации

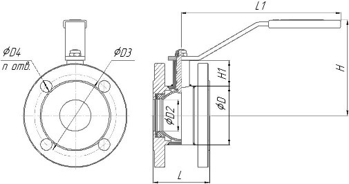
Артикул DN PN L L1 H H1 D D2 D3 D4 n отв. Вес,кг.
29320050 компакт 50 40 86 243 145,3 39 89 48 125 18 4 5,5
29320080 компакт 80 16 121 278 184,1 56,1 133 75 160 18 4 9,69
29320100 компакт 100 16 160 526 184,3 61,3 180 100 180 18 8 15,81